Sarrera
Egokitze hidraulikoaren egokitzailea pieza hidrauliko desberdinak lotzen dituen pieza bat da. Ondo egokitzen da ihesak geldiarazteko. Material sendoez egina, presio handia jasan dezake. Fabrikako makinetan, baserriko tresnetan eta autoen sistema hidraulikoetan erabiltzen da. Zati askorekin funtzionatzen du, fluidoa leunki isurtzen du, erraz jartzen da eta arreta gutxi behar du. Erabilera luzerako ona da, konexio hidraulikoetarako aukera adimenduna da.



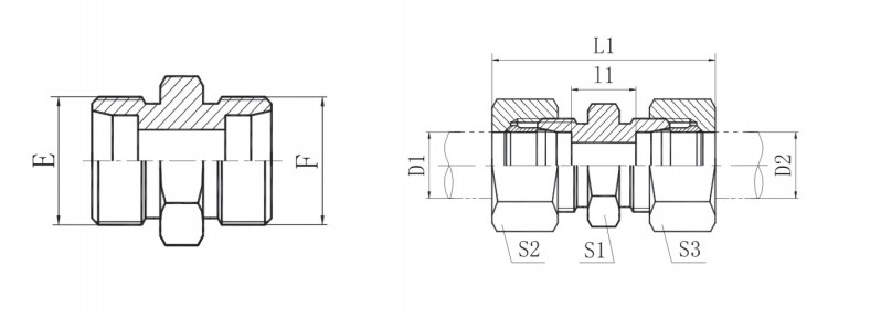
Zehaztapenak

|
ZATIA ZENB. |
HARIA |
TUBE OD |
NEURRIAK |
PRESIO MAILA | ||||||
|
E |
F |
D1 |
D2 |
11 |
L1 |
S1 |
S2 |
S3 |
MPa |
|
|
1C-12 |
M12X1.5 |
M12X1.5 |
6 |
6 |
10 |
39 |
12 |
14 |
14 |
31.5 L |
|
1C-14 |
M14X1.5 |
M14X1.5 |
8 |
8 |
11 |
40 |
14 |
17 |
17 |
|
|
1C-18 |
M18X1.5 |
M18X1.5 |
12 |
12 |
14 |
43 |
19 |
22 |
22 |
|
|
1C-22 |
M22X1.5 |
M22X1.5 |
15 |
15 |
16 |
46 |
24 |
27 |
27 |
16 L |
|
1C-26 |
M26X1.5 |
M26X1.5 |
18 |
18 |
16 |
48 |
27 |
32 |
32 |
|
|
1C-30 |
M30X2 |
M30X2 |
22 |
22 |
20 |
52 |
32 |
36 |
36 |
|
|
1C-36 |
M36X2 |
M36X2 |
28 |
28 |
21 |
54 |
41 |
41 |
41 |
|
|
1C-45 |
M45X2 |
M45X2 |
35 |
35 |
20 |
63 |
46 |
50 |
50 |
|
|
1C-52 |
M52X2 |
M52X2 |
42 |
42 |
21 |
66 |
55 |
60 |
60 |
63 S |
|
1D-14 |
M14X1.5 |
M14X1.5 |
6 |
6 |
16 |
45 |
14 |
17 |
17 |
|
|
1D-16 |
M16X1.5 |
M16X1.5 |
8 |
8 |
18 |
47 |
17 |
19 |
19 |
|
|
1D-18 |
M18X1.5 |
M18X1.5 |
10 |
10 |
17 |
49 |
19 |
22 |
22 |
|
|
1D-20 |
M20X1.5 |
M20X1.5 |
12 |
12 |
19 |
51 |
22 |
24 |
24 |
|
|
1D-22 |
M22X1.5 |
M22X1.5 |
14 |
14 |
22 |
57 |
24 |
27 |
27 |
|
|
1D-24 |
M24X1.5 |
M24X1.5 |
16 |
16 |
21 |
57 |
27 |
30 |
30 |
|
|
1D-30 |
M30X2 |
M30X2 |
20 |
20 |
23 |
66 |
32 |
36 |
36 |
40 S |
|
1D-36 |
M36X2 |
M36X2 |
25 |
25 |
26 |
74 |
41 |
46 |
46 |
|
|
1D-42 |
M42X2 |
M42X2 |
30 |
30 |
27 |
80 |
46 |
50 |
50 |
|
|
1D-52 |
M52X2 |
M52X2 |
38 |
38 |
29 |
90 |
55 |
60 |
60 |
|
Parametroak/Datu Teknikoak
|
Jatorrizkoa |
Zhejiang, Txina |
Entrega data |
Negoziagarria |
|
Ziurtagiria |
GB/T19001-2016 IDt ISO9001:2015 |
Enbalatzea |
esportazio estandarra |
|
Materiala |
Karbono altzairua |
Bermea |
1 urte |
|
Ordainketa-epea |
TT |
MOQ |
2000 |
|
Baldintza |
Berria |
Kolorea |
Zink zuria, zink kolorekoa |
Enpresari buruz












Abantailak
Kalitate handiagoa
Ezagutza teknikoa eta kudeaketa esperientzia duen talde profesionala dugu. Gure konpainiak kalitate sistema profesionalaren ziurtagiria lortu du.
Esperientzia aberatsagoa
2011n sortu ginen. Orain arte, gure produktuak 40 herrialde baino gehiagotara esportatu izan dira, hala nola Errusia, Australia, AEB, Erresuma Batua, Alemania, Errumania, Mexiko, Brasil, Txile, Kanada, Espainia, Kolonbia, etab. Zerbitzu handia eman diezaiekegu gure bezeroei.
Hainbat produktu
Hainbat beharretara egokitu. 4 serieko produktu ditugu, ehun barietate baino gehiago guztira, egokitze hidraulikoan, ferrule hidraulikoan, egokitzaile hidraulikoan eta nylonezko hodien egokitzean. Aukera zabala eskaintzeko.
Mozkin txikiak
Gure konpainiaren indarrak, ber-kredituak, kontratua mantentzea, produktuaren kalitatea bermatzeko, bezeroen konfiantza irabazi du hainbat kategoria eta prezio baxuaren printzipioen arabera. Ongi etorri etxeko eta atzerriko bezero zahar eta berriei deitu edo etorri gure enpresara kontsultak eta negoziazioak egiteko. 10 urtez jarraian salmentak handitzea.
Zerbitzurik onena
Bezeroaren gogobetetasuna beti da FeiKe makineria lehentasunezko kezka, edozein arazo konpontzeko gogoz gaude. Egindako galdera guztiei erantzungo diegu, behar duten guztiei lagunduko diegu eta otoitz bakoitzari erantzuna emango diegu.
Kokapen bikaina
Hangzhoutik oso gertu kokatuta,-garraio eta logistika sistema oso garatuak ditugu, merkantzien zirkulazioa errazten baitute.

Ohiko galderak
G: Zergatik aukeratu behar gaituzu?
A: 10 urteko esperientzia duen espezialista hidrauliko fidagarria gara. Gure produktuak-kalitate handikoak dira, 18-hilabeteko bermea dute eta azkar bidaltzen dira. Gainera, kostuak aurreztea eta salmenta osteko laguntza fidagarria eskaintzen dugu.
G: Fabrika edo merkataritza enpresa bat al zara?
A: Fittingts hidraulikoak ekoizten dituen fabrika zuzena gara, 10 urte baino gehiagoz fabrikazioan eta I+Gan espezializatuta.
G: Zein da zure entrega-denbora?
A: -stockeko elementuetarako: 7-15 egun.
Stock-gabeko-gaietarako: 30-45 egun (eskaeraren kantitatearen arabera).
G: Zein dira zure ordainketa-baldintzak?
A:% 30eko gordailua eskaera berretsi ondoren,% 70eko saldoa bidali aurretik.
G: Laginak ematen al dituzu?
A: Produktu estandarrak: 2 doako lagin (bezeroak bidalketa ordaintzen du).
Produktu pertsonalizatuak: jarri gurekin harremanetan lagin aukerak eztabaidatzeko.
G: Zer gertatzen da kalitate-arazo bat badago?
E: Bidalketa ondorengo 12 hilabeteko epean,-gizakiak ez diren kalte guztiak estaltzen ditugu.
G: Zein da zure eskaera gutxieneko kopurua (MOQ)?
A: Produktu estandarrak: MOQrik ez (erosi pieza 1 ere).
Produktu pertsonalizatuak: MOQ produktuaren xehetasunen araberakoa da.
G: Egin al ditzakezu produktuak nire marrazkietan oinarrituta?
A: Bai, ahal dugu. Mesedez, eman plano osoak baldintza teknikoekin.
G: Zer{0}}salmenta osteko zerbitzua eskaintzen duzu?
E: Bidalketen jarraipena egiten dugu-denbora errealean eta jarraipena egiten dugu bezeroaren gogobetetasuna bermatzeko.
G: Nola egiaztatzen duzu produktuaren kalitatea?
A: Proba profesionalak erabiltzen ditugu (gatz-spray, trakzio-ersistentzia, gogortasuna, etab.) kalitate-kontrol zorrotza egiteko.
G: OEM zerbitzuak eskaintzen al dituzu?
A: Bai, bai. Jarri gurekin harremanetan xehetasunetarako.
G: Zein ontzi erabiltzen duzu?
A: Estandarra: kartoizko kaxak. Paketatze pertsonalizatuak eskatuta eskuragarri.
G: Zenbat laster lor dezaket prezioa?
A: Zure kontsulta jaso eta 8 orduko epean erantzuten dugu.
Hot tags: egokitze hidrauliko egokitzaile, Txinako egokitze hidrauliko egokitzaile fabrikatzaileak, fabrika
